** SEMIKRON 판매, 세미크론 판매, SKKT 323/16E 판매, IGBT 판매, SCR 판매**


● 아이지인터내셔날은 세미크론 (SEMIKRON) 제품을
판매하고 있습니다.
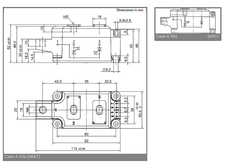
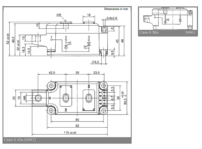
● SKKT 323/16E (320A, 1600V)





◈ SEMIKRON은 60 년 이상의 역사를 자랑하는 혁신적인
제품입니다. 오늘날 SEMIKRON은 파워 일렉트로닉스의 글로벌
리더입니다. 다이오드 및 사이리스터 반도체 모듈에서 25 %의 시장 점유율
다이오드 / 사이리스터 모듈의 글로벌 시장 선도 업체
(IMS Research, "전력 반도체에 대한 세계 시장", 2014)
전세계 25 개 운영 회사가 SEMIKRON에 소속, 대륙을 잇는 9 개국이 SEMIKRON 생산 기지의 기지입니다. 2kW ~ 10MW : 중거리 전력 부문에 중점을 둡니다.

※따뜻한 차한잔 하시면서, 오늘 하루도 힘차게 시작하세요 ^^
* 아이지 인터내셔날은 < 전자부품 > 판매점 입니다.
연락주시면 친절하게 설명해드리겠습니다. 감사합니다.
