이번에 소개 드릴 제품은 부스만(BUSSMANN)휴즈 입니다.
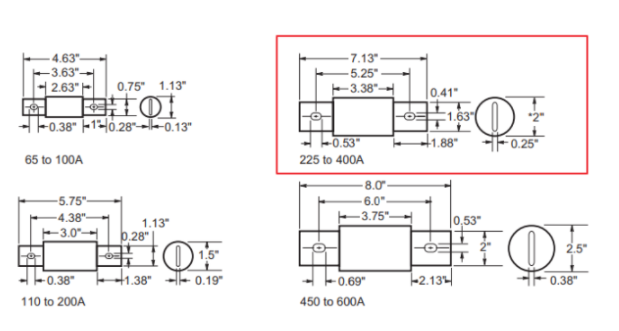
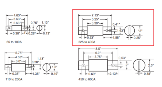
● LPJ-70SP LPJ-125SP LPJ-250SP LPJ-500SP LPJ-80SP LPJ-150SP LPJ-300SP
LPJ-600SP LPJ-90SP LPJ-175SP LPJ-350SP
LPJ-100SP LPJ-200SP LPJ-400SP
LPJ-110SP LPJ-225SP LPJ-450SP
LPJ-250SP




★해당 제품 외에도 다양한 전력반도체를 정직한 가격과 정품으로 판매하고 있습니다.★
많은 문의 바랍니다. 감사합니다.
