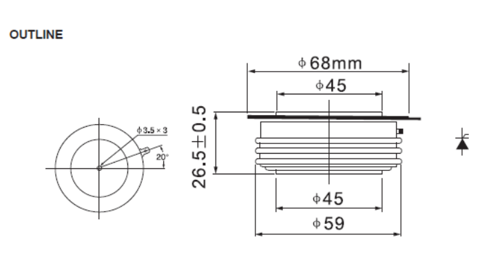
이번에 소개 드릴 제품은 고속 SCR 입니다.
고속SCR, KK200A, KK300A, KK400A, KK500A, KK600A, KK800A, KK1000A, KK1200A, KK1500A, KK1800A, KK2000A, KK2500A, KK3000A, KK3500A, KK4000A (600V~2500V까지 고속 SCR 판매)
● 아이지인터내셔날은 〈SCR 전문 업체 〉 입니다.
SCR 상품을 직접 수입하여, 판매하고 있습니다. 문의주시면, 언제든지 공급가능합니다.
★주문제작 가능합니다★




★해당 제품 외에도 다양한 전력반도체를 정직한 가격과 정품으로 판매하고 있습니다.★
많은 문의 바랍니다. 감사합니다.
