이번에 소개 드릴 제품은 부스만 &이튼 (BUSSMANN& EATON)휴즈입니다.
BS88 고속휴즈 시리즈
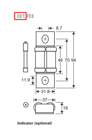
CT,ET,FE,EET,FEE,FM,FMM,MT,MMT
6CT 10CT 12CT 16CT 20CT
25ET 32ET 35ET 40ET 45ET 56ET 63ET 80ET
35FE 40FE 45FE 50FE 63FE 71FE 80FE 90FE 100FE
90EET 110EET 140EET 160EET
100FEE 120FEE 140FEE 160FEE 180FEE 200FEE
180FM 200FM 225FM 250FM 280FM 315FM 350FM
400FMM 450FMM 500FMM 550FMM 630FMM 700FMM
160MT 180MT 200MT 250MT 280MT 315MT 355MT
180MMT 200MMT 225MMT 280MMT 315MMT 355MMT 400MMT 450MMT
500MMT 560MMT 630MMT 710MMT
●160EET (160A, 690V)




★해당 제품 외에도 다양한 전력반도체를 정직한 가격과 정품으로 판매하고 있습니다.★
많은 문의 바랍니다. 감사합니다.
