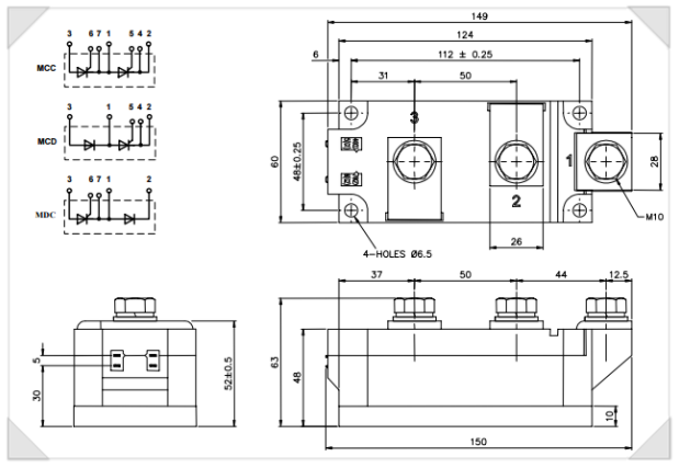
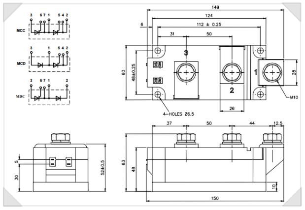
이번에 소개 드릴 제품은 WESTCODE & IXYS 사의 사이리스터 다이오드모듈입니다.
MCC501-12io2 MCD501-12io2 MDC501-12io2
MCC501-14io2 MCD501-14io2 MDC501-14io2
MCC501-16io2 MCD501-16io2 MDC501-16io2
MCC501-18io2 MCD501-18io2 MDC501-18io2
MCC501-16io2 (500A, 1600V)



★ 해당 제품 외에도 다양한 전력반도체를 정직한 가격과 정품으로 판매하고 있습니다. ★
많은 문의 바랍니다. 감사합니다.
