취급품목/POWER FUSE 판매
LPJ-300SP 부스만휴즈 LPJ시리즈 판매
iginter
2021. 12. 12. 22:41
이번에 소개 드릴 제품은 부스만&이튼 (BUSSMANN&EATON) 휴즈입니다.
LPJ-70SP LPJ-125SP LPJ-250SP LPJ-500SP LPJ-80SP LPJ-150SP LPJ-300SP LPJ-600SP
LPJ-90SP LPJ-175SP LPJ-350SP
LPJ-100SP LPJ-200SP LPJ-400SP
LPJ-110SP LPJ-225SP LPJ-450SP
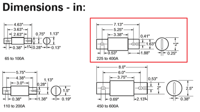
LPJ-300SP





★해당 제품 외에도 다양한 전력반도체를 정직한 가격과 정품으로 판매하고 있습니다.★
많은 문의 바랍니다. 감사합니다.
