취급품목/SCR 판매
R1178NC14E (1178A, 1400V) SCR판매
iginter
2021. 10. 13. 13:45
이번에 소개 드릴 제품은 IXYS UK WESTCODE 사의 R1178NC14E 입니다.
R1178NC14E (1178A, 1400V)
R325CH14, R325SH14 (구 넘버), R1178NS14E (구 넘버)




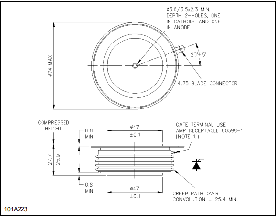
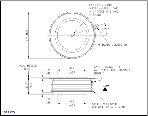
●DATASHEET
★해당 제품 외에도 다양한 전력반도체를 정직한 가격과 정품으로 판매하고 있습니다.★
많은 문의 바랍니다. 감사합니다.
